MEDTRONIC
ДЫХАТЕЛЬНЫЕ КОНТУРЫ РАСТЯЖИМЫЕ ВЗРОСЛЫЕ ДЛЯ ИВЛ С ВЛАГОСБОРНИКОМ НА ВЫДОХЕ
ДЫХАТЕЛЬНЫЕ КОНТУРЫ РАСТЯЖИМЫЕ ВЗРОСЛЫЕ ДЛЯ ИВЛ С ВЛАГОСБОРНИКОМ НА ВЫДОХЕ
Растяжимые дыхательные контуры для ИВЛ с влагосборником (взрослые)
Специализированная дыхательная система для искусственной вентиляции легких, сочетающая функциональность и удобство использования. Уникальная растяжимая конструкция обеспечивает комфорт при позиционировании пациента, а встроенный влагосборник на выдыхаемой линии эффективно защищает оборудование от конденсата.
Ключевые особенности:
Эластичная конструкция – адаптируется к положению пациента без перегибов и напряжения
Интегрированный влагосборник – предотвращает скопление жидкости в системе
Оптимизированная аэродинамика – снижает сопротивление дыханию
Универсальное подключение – совместимость с большинством респираторов
Полипропиленовые дыхательные контуры для взрослых
Достоинства:
- Полипропиленовые растяжимые дыхательные контуры могут быть растянуты до трех раз от их длины в упакованном виде. Это решает проблему хранения - даже контуры большой длины требуют малого пространства для хранения
- Свойство “пямяти”: после растяжения до нужного размера, дыхательный контур сохраняет установленный размер, уменьшая нагрузку на эндотрахеальную трубку
- Выпускаются только во взрослом размере (диаметр 22 мм)
- Не содержит латекса.
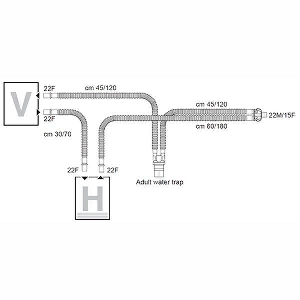
| Код | Описание | Стерильность | Примечания |
| 303/13609 | Дыхательный контур растяжимый полипропиленовый с портами на Y-обр. тройнике, линия вдоха 60/180 см., линия выдоха 90/240 см. с влагосборником, доп. шланг 30/70 см. | нет | 22 flex на стороне вентилятора |
| Код | Описание | Уп/шт. | Количество |
|---|---|---|---|
| 303/13609 | Дыхательный контур растяжимый полипропиленовый с портами на Y-обр. тройнике, линия вдоха 60/180 см., линия выдоха 90/240 см. с влагосборником, доп. шланг 30/70 см. | 10 |
|
Описание
Полипропиленовые дыхательные контуры для взрослых
Достоинства:
- Полипропиленовые растяжимые дыхательные контуры могут быть растянуты до трех раз от их длины в упакованном виде. Это решает проблему хранения - даже контуры большой длины требуют малого пространства для хранения
- Свойство “пямяти”: после растяжения до нужного размера, дыхательный контур сохраняет установленный размер, уменьшая нагрузку на эндотрахеальную трубку
- Выпускаются только во взрослом размере (диаметр 22 мм)
- Не содержит латекса.
Характеристики
| Код | Описание | Стерильность | Примечания |
| 303/13609 | Дыхательный контур растяжимый полипропиленовый с портами на Y-обр. тройнике, линия вдоха 60/180 см., линия выдоха 90/240 см. с влагосборником, доп. шланг 30/70 см. | нет | 22 flex на стороне вентилятора |
Оформить заказ
| Код | Описание | Уп/шт. | Количество |
|---|---|---|---|
| 303/13609 | Дыхательный контур растяжимый полипропиленовый с портами на Y-обр. тройнике, линия вдоха 60/180 см., линия выдоха 90/240 см. с влагосборником, доп. шланг 30/70 см. | 10 |
|